
USAutomation's VersaDrive™ 17 leadscrew step motors were designed to be the most versatile linear positioning motors on the market. Based on a NEMA 17 hybrid step motor, they are available in thru-screw and fixed screw versions with a variety of drive nut and support bushing options. VersaDrive™ motors are robust and can be easily configured to solve some of the most difficult application problems. Integration of a leadscrew with a motor saves space, eliminates components, and reduces cost. While many standard configurations are available, custom modifications for OEM customers are welcome.
- NEMA size 17 (42mm square)
- Selection of motor windings
- Selection of screw leads
- Anti-backlash, self-compensating nut option
- Standard drive nut option
- Unique centering bushing option
- Nuts and bushings can be mounted on either the front or back of the motor
- Motor can be full, half or microstepped
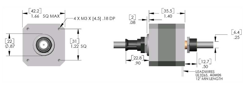
VersaDrive™ 17 Drawing

VersaDrive™ 17 Specifications

Download USAutomation VersaDrive™ 17 Datasheet
Talk to one of our automation experts today at (855) 737-4716, or fill out our online form to learn more.
USAutomation's VersaDrive™ 17 leadscrew step motors were designed to be the most versatile linear positioning motors on the market.