
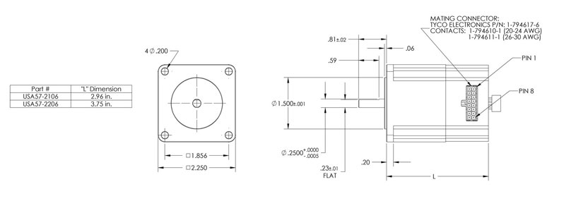
The Accuriss™ 57, as the name implies, is 57mm square. The product is available in three stack lengths, with holding torques ranging from 75 to 260 oz. in. The Accuriss™ 57 mounting is the standard NEMA 23 mount. The Accuriss™ product line can be device addressed with up to 16 devices operating off of a single RS485 interface. The part number calls out the factory preset device address, which is easily changed in the field.
The device drivers for your USB, the Accuriss™ programming environment, the Accuriss™ 57 User's Manual, along with all CAD files are readily available at no charge on the website. To provide immediate implementation of the Accuriss™ 57, USAutomation® offers a start-up kit which contains, a USB to RS485 converter, a breakout board including I/O devices, a connector for the Accuriss™, and a CD with everything you need to get started.
- NEMA size 23 (57mm square) step motor
- Drive, controller and I/O built in
- Three stack lengths
- Holding torque from 76 to 262 oz in
- Robust RS485 communication
- Short lead time
- Up to 16 units daisy chained
- Economically priced
- Simple yet highly functional command language
- S curve acceleration profiles included
- No charge Accuriss™ programming environment for PC's
- Starter Kits available
Accuriss™ 57 Drawing

Accuriss™ 57 Specifications

Talk to one of our automation experts today at (855) 737-4716, or fill out our online form to learn more.
The Accuriss™ 57 is 57mm square and is available in three stack lengths, with holding torques ranging from 75 to 260 oz. in.