The mSR 100 is a miniature, high precision linear positioner which uses dual precision grade square rails for its guidance, and an ironless linear motor for its drive. The mSR 100 has an extremely compact design measuring just 100 mm in width by 35 mm in height. Captured within this miniature profile is the stage's guidance, linear motor, linear encoder, as well as adjustable limit and home sensors making this an ideal positioner for space restricted applications in the life sciences or optics market. The mSR 100 can easily be configured into multi-axis configurations.
Features
Parker mSR 100 Series Linear Motor Positioner Features:
- Frame width of 100 mm
- Standard strokes from 25 mm to 500 mm of stroke
- Positional repeatability of +/- 0.1 micron
- Integrated magnetic (1.0 micron), optical (1.0, 0.1, 0.01 micron), an analog Sine/Cosine, or a BiSS-C Absolute encoder options
- Maximum speeds of 3000 mm/sec
- Optional 3 or 5 pole linear motor drivetrain options
- Maximum payload 117 N
- Maximum thrust of 50 N
- Integrated and adjustable home and limit sensing
- Standard multi-axis configurations available
- Laser test data with slope correction values with each precision grade stage

- Center Driven Ironcore Linear Motor: The mSR80 offers both a 4 and 8 pole ironcore linear motor based upon the application thrust requirements. Each of these motors have been optimized to operate on 48 Volts DC.
- Dual Precision Square Rails: Two precision aligned square rail bearings to support the payload and provide superior
straightness and flatness. - Integrated Home and Limit Sensing: Home and limit sensors have been integrated into the mSR100 encoder read head, and signals are passed through the same cable, minimizing the amount of cables requiring cable management.
- High Flex Cabling: The mSR uses high flex cabling as standard to ensure maximum life of the stage regardless of
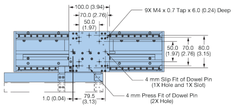
whether it’s integrated into a multi or single axis system. - Tapped Holes and Dowel Pinning: The mSR has tapped holes in both the top and base for ease of mounting, and dowel pins to ensure repeatable mounting when configuring XY systems made with mSRs.
- Six Different Linear Encoder Technologies: The mSR100 provides maximum versatility with three different optical encoder resolutions (1, 0.1, and 0.01 micron), an analog sine/cosine option as well as an economical 1 micron magnetic option. The mSR100 also offers a BiSS-C, 0.05 micron absolute encoder option for application that require constant positional feedback.
Specifications
Parker mSR 100 Series Linear Motor Positioner Specifications:

Full specifications can be found in the catalog and user manuals below.

mSR BASIC DIMENSIONS:
The complete dimensions can be found in the catalog.
mSR100

Applications
Parker mSR 100 Series Linear Motor Positioner Applications:
- Electronics Manufacturing
- Cleanroom
- Metrology
- Move/Transport
- Life Sciences
- Semiconductor


Q&A
Parker mSR 100 Series Linear Motor Positioner Q & A:
Travel limits can be adjusted by loosening the screws on the limit sensor targets and sliding them to the desired position. Detailed instructions are provided in the user manual.
The mSR 100 should be mounted on a flat, stable surface using through-holes, counterbored holes, or tapped holes on the base of the unit. Avoid drilling into the positioner, as it may affect performance.
Downloads
Parker mSR 100 Series Linear Motor Positioner Downloads:
Download Parker Miniature Positioners Linear Motor and Screw Driven Stages Catalog
Download Parker Miniature Square Rail Positioner Applications Brochure
Also, be sure to check out Parker's mSR 80 Series Linear Motor Positioner.
Call us today at (855) 737-4716 to learn more, or fill out our online form and someone will get back to you.