High performance at economical process is available from the Rotork Fairchild T7800 series of piezo-ceramic actuated I/P transducer. These units offer state-of-the-art accuracy up to 0.15% FS. The disc actuation mechanism provides a product that is totally impervious to shock, vibration, and positional orientation.
Operating Principles
Standard Range
The Model T7800 Series converts a DC input signal to a linear proportional pneumatic output. It includes the Primary Converting Section and the pneumatic Relay Section. The Piezoelectric Ceramic Actuator, in the Primary Converting Section, functions as a Flapper. The Flapper and Nozzle work together to control the signal pressure. The signal pressure that sets the output pressure acts on the Upper Control Diaphragm in the Pneumatic Relay Section. The Lower Control Diaphragm in the Pneumatic Relay Section senses the output pressure.
Extended Range
In the Extended Range units, an additional Relay Section amplifies the output pressure.
Features
Model T7800 Electro-Pneumatic Transducer Features
- In the extended range units, an additional relay section amplifies the output pressure to obtain up to 0-120 psi [0-8.0 BAR], (0-800 kPa) output.
- 18 available output ranges - tremendous versatility for application design.
- Accuracy as low as 0.15% - high precision, reliable operation.
- Field reversible feature provides an output inversely proportional to the input signal.
- RFI/EMI protection eliminates susceptibility to electromagnetic and radio interference, internal electronic feedback, and a piezoelectric actuator provides precise control of output pressure regardless of vibration or position.
- Damping adjustment allows for optimum tuning response.
- Split range operation allows a common signal source to control two or more functions.
- NEMA 4X, type 4 enclosure, and IP65 rated.
- FM, CSA, ATE,X and IECEx approvals.
- Carries global approval for intrinsic safety and hazardous location operation.
Specifications
Model T7800 Electro-Pneumatic Transducer Specifications

Dimensions
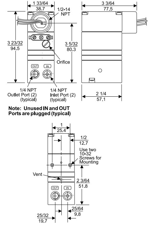
Model T7800 Electro-Pneumatic Transducer Dimensions

Model TA7800 Standard Range Dimensions shown.
Q & A
Rotork Fairchild Model T7800 Electro-Pneumatic Transducer Q & A
Downloads
Download Rotork Fairchild Model T7800 Electro-Pneumatic I/P, E/P Transducer Datasheet
Call us today at (855) 737-4714 to learn more, or fill out our online form, and someone will get back to you.