Is It Possible For a Timer to Continuously Apply Power?
It is possible for a Timer to continuously apply power, but you should not leave the Timer in a time-expired condition for long periods of time (e.g., a month or longer) under high-temperature conditions.
Doing so may reduce the life of the Timer due to the deterioration of internal parts, such as electrolytic capacitors.
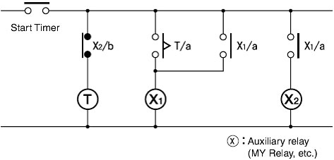
If the Timer is to be left in a timed-out status for extended periods of time, use it together with Relays in the following type of circuit.
Timer

Timer
(Written using JIS notation)
Timer 2

Timer 2
Talk to one of our experts today at (855) 737-4716, or fill out our online form to learn more.